valokuva avoimista lähteistä
Venäläiset tutkijat onnistuivat luomaan huokoisia muovista ja suolasta materiaali, joka jäljittelee luun rakennetta. Tässä tapauksessa tavallinen keittokirja suolasta on tullut tärkein apuaine.
Tällä hetkellä erittäin korkean molekyylipainon polyeteenillä on jo laaja käyttö keinotekoisissa nivelissä sekä keramiikassa ja metallia. Tämän tyyppisillä muoveilla on korkea lujuus ja tiheys, ja mikä tärkeintä – täysin turvallinen ihmisen kudoksille. nämä materiaalin ominaisuudet ovat ihanteellisia luomiseen keinotekoiset luut.
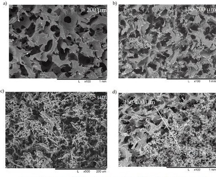
Aikaisemmin heidän luomisessaan suurin ongelma oli huokoisuus. Luiden on tarpeen siirtää luusoluja ja itävät verisuonia, mutta tekevät monimutkaisista rakenteista keinoluun sisällä ei ollut niin yksinkertaista. Tilaustulostukseen muovi pysyy viskoottisena pitkään.
valokuva avoimista lähteistä
Pystyimme ratkaisemaan tämän ongelman epätavallisen tekniikan ansiosta, tutkijoiden ehdottama NITU MISiS. Luun valmistushetkellä polymeeri sekoitetaan tavallisen ruokasuolan kanssa ja sen jälkeen jähmettymissuola pestään vedellä. Huokoset pysyvät luodussa tuotteessa oikea koko.
Materiaalin lujuus on testattu määrätyillä kuormituksilla. ja tutkittiin myös mikroskoopilla. Mekaaniset ominaisuudet tuotteet osoittautuivat kuitenkin samoiksi huokoskoosta riippumatta materiaalista on tullut vähemmän joustavaa kuin oikea luu. Seuraavana tutkimusvaiheessa etsitään materiaalien yhdistelmää luoda keinotekoinen luu, jolla on tarvittavat parametrit.
ESOREITER puhui aiemmin polven luusta, jota pidettiin häviävät evoluution aikana alkeellisella elimellä.
Andrey Vetrov
Muovinen aika
